The photos you provided may be used to improve Bing image processing services.
Privacy Policy
|
Terms of Use
Can't use this link. Check that your link starts with 'http://' or 'https://' to try again.
Unable to process this search. Please try a different image or keywords.
Try Visual Search
Search, identify objects and text, translate, or solve problems using an image
Drag one or more images here,
upload an image
or
open camera
Drop images here to start your search
To use Visual Search, enable the camera in this browser
All
Search
Images
Inspiration
Create
Collections
Videos
Maps
News
More
Shopping
Flights
Travel
Notebook
Top suggestions for Star Delta Connection Explained
Delta
Motor Connection
Delta Connection
Symbol
Star and
Delta Explained
OSTree
Explained Delta
What Is
Delta Connection
Delta
Why Connection
Delta Connection
Meaning
Y
Delta Connection
Delta Connection
High Leg Explained Graph
Real
Delta Connection
Dellta
Connection
Delta Connection
Definition
Star Delta
Starter Explained
Delta Connection
Duluth
Power in
Star and Delta Connection
Motor Delta Connection
Diagram
Delta Connection
Swanson
Star vs
Delta Connection
Delta Connection
Question
Wye Delta Connection
Diagram
Delta Connection
Insignia
Delta Delta Connection
with Tap
In Electric What Is a
Delta Connection
Delta Connection
Hanging Sign
Open Delta
Transformer Connection Diagram
How to Get Neutral From
Delta Connection
Inside of
Delta Connection
Delta Power Connection
Wiring
Advantages of
Delta Connection
Car Delta
V Explained
Difference Between
Star and Delta Connection
What Is a
Delta Connection in Electricity
Star Delta
Arrangement Explained
Delta Connection
Multi Tapping
Comparison Between
Star and Delta Connection
Star Delta Connection
Nameplate
Star Delta
9 Lead Connection
Heater
Star Delta Connection
Delta Connection
On Connectiion Block
Double Delta
Motor Connection
Short Connection Delta
Tag
Star Delta Connection
Kit
Ahu with
Star Delta Connection
Delta
Connecting You to the World
Delta
V Charm Lights Explained
Star vs Delta Connection
Australia
Star Delta
Testing
What Are the Advantages and Disadvantages of
Delta Connection
Star Delta
Troubleshooting
Star to Delta
Conversion
Explore more searches like Star Delta Connection Explained
3 Phase
Transformer
Why We
Use
Interview
Questions
Difference
Between
PCB
Layout
3 Phase
Motor
Name
Plate
3
Phase
Magnetic
Contactor
Terminal
Box
Three Phase
Transformer
Voltage
Current
Power
Formula
Transformer
Diagram
Wiring Diagram
PDF
Three-Phase
System
Comparison
Between
Induction
Motor
Wiring Layout
Diagram
Siemens
Motor
Timer
Relay
Schematic/Diagram
Wiring
Power
Circuit
Siren
What
is
Industry
Holder
Animation
Cue
Grundfos
Drawing
More
Ampere
Terminal Block
For
Operation
Autoplay all GIFs
Change autoplay and other image settings here
Autoplay all GIFs
Flip the switch to turn them on
Autoplay GIFs
Image size
All
Small
Medium
Large
Extra large
At least... *
Customized Width
x
Customized Height
px
Please enter a number for Width and Height
Color
All
Color only
Black & white
Type
All
Photograph
Clipart
Line drawing
Animated GIF
Transparent
Layout
All
Square
Wide
Tall
People
All
Just faces
Head & shoulders
Date
All
Past 24 hours
Past week
Past month
Past year
License
All
All Creative Commons
Public domain
Free to share and use
Free to share and use commercially
Free to modify, share, and use
Free to modify, share, and use commercially
Learn more
Clear filters
SafeSearch:
Moderate
Strict
Moderate (default)
Off
Filter
Delta
Motor Connection
Delta Connection
Symbol
Star and
Delta Explained
OSTree
Explained Delta
What Is
Delta Connection
Delta
Why Connection
Delta Connection
Meaning
Y
Delta Connection
Delta Connection
High Leg Explained Graph
Real
Delta Connection
Dellta
Connection
Delta Connection
Definition
Star Delta
Starter Explained
Delta Connection
Duluth
Power in
Star and Delta Connection
Motor Delta Connection
Diagram
Delta Connection
Swanson
Star vs
Delta Connection
Delta Connection
Question
Wye Delta Connection
Diagram
Delta Connection
Insignia
Delta Delta Connection
with Tap
In Electric What Is a
Delta Connection
Delta Connection
Hanging Sign
Open Delta
Transformer Connection Diagram
How to Get Neutral From
Delta Connection
Inside of
Delta Connection
Delta Power Connection
Wiring
Advantages of
Delta Connection
Car Delta
V Explained
Difference Between
Star and Delta Connection
What Is a
Delta Connection in Electricity
Star Delta
Arrangement Explained
Delta Connection
Multi Tapping
Comparison Between
Star and Delta Connection
Star Delta Connection
Nameplate
Star Delta
9 Lead Connection
Heater
Star Delta Connection
Delta Connection
On Connectiion Block
Double Delta
Motor Connection
Short Connection Delta
Tag
Star Delta Connection
Kit
Ahu with
Star Delta Connection
Delta
Connecting You to the World
Delta
V Charm Lights Explained
Star vs Delta Connection
Australia
Star Delta
Testing
What Are the Advantages and Disadvantages of
Delta Connection
Star Delta
Troubleshooting
Star to Delta
Conversion
573×383
infoupdate.org
Three Phase Induction Motor Star Delta Connection - Infoupdate.org
1210×642
hackatronic.com
star delta connection control » Hackatronic
1280×720
theelectricalguy.in
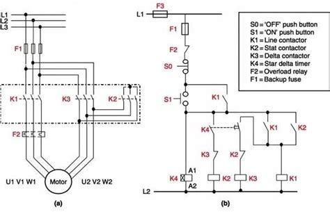
Star and Delta Connection - Explained - TheElectricalGuy
713×368
wiringwork.com
advantages of star connection and delta connection - Wiring Work
Related Products
Star Delta Starter
Star Delta Connection Diagr…
Star Delta Motor
610×492
wiringwork.com
How To Solve Star Delta Connection » Wiring Work
764×754
infoupdate.org
Star Delta Motor Terminal Connection Diagram Dia…
480×360
artofit.org
Star delta connection 3 phase motor star delta c…
956×1460
wiringboards.com
3 Phase Induction Moto…
602×244
flowschema.com
3 Phase Induction Motor Star Delta Connection Diagram – Wiring Flow Schema
553×611
wiringwork.com
3 phase star delta motor co…
780×456
wiringwork.com
Why We Use Star And Delta Connection In Transformer » Wiring Work
Explore more searches like
Star Delta Connection
Explained
3 Phase Transformer
Why We Use
Interview Questions
Difference Between
PCB Layout
3 Phase Motor
Name Plate
3 Phase
Magnetic Contactor
Terminal Box
Three Phase Transformer
Voltage Current
1200×628
electricalvolt.com
How to connect a 3-phase motor in Star and Delta?
800×419
compileiot.online
Star Delta Connection in Three Phase Power System - CompileIoT
1280×720
manualerjuakdu.z21.web.core.windows.net
Star Delta Connection Diagram 3 Phase Motor Star Delta Power
360×640
in.pinterest.com
Three Phase Motor Auto St…
1183×861
blogspot.com
WIRING DIAGRAM STAR-DELTA CONNECTION IN 3-PHASE INDUC…
751×430
manualbannskapun.z21.web.core.windows.net
Star Delta Connection Diagram And Working Principle In Hindi
1280×720
www.pinterest.com
Difference Between Motor STAR Connection and DELTA Connection @TheElectr... in 2024 | Delta ...
934×601
electricalacademia.com
Three-Phase AC Power: Star & Delta Connection | Electrical Academia
1024×768
laethloqicircuit.z14.web.core.windows.net
Star Delta Connection Diagram 3 Phase Motor Star Delta Power
1200×630
circuitdiagram.co
Star Delta Wiring Circuit Diagram - Circuit Diagram
800×800
box.revistakunst.com
Wiring Diagram Star Delta Star Delta Starter Conn…
1620×1215
studypool.com
SOLUTION: Star and delta connection in a 3 phase syste…
1620×1215
studypool.com
SOLUTION: Star and delta connection in a 3 phase syste…
1280×720
etechnog.com
Three(3) Phase Star Delta Motor Connection Diagram PDF - ETechnoG
711×349
wiringwork.com
what is the relationship between line and phase current in delta connection - Wiring Work
505×620
shutterstock.com
Diagrams Star Delta Connections Three Phase …
602×388
design1systems.com
How to Wire a Star Delta 3 Phase Motor: A Comprehensive Diagram Gu…
408×637
wiringwork.com
how to calculate phase current …
1600×1471
blogspot.com
CHAPTER 2 STAR AND DELTA CONNECTION…
1324×842
wiringdiagram.2bitboer.com
Star Delta Starter Wiring Diagram 3 Phase Pdf - Wiring Diagram
736×736
pinterest.ca
Understanding Star and Delta Connections in Thr…
1293×943
etechnog.com
[Explained] Star Delta Starter Diagram | Control and Power Circuit - ETech…
576×508
blogspot.com
Star Delta Wiring Diagram 3 Phase : Star Delta Starters Explained The Engineeri…
1280×720
electrician-1.com
on video Star Delta starter Connection/Star-Delta Connection Diagram - electrical and ...
Some results have been hidden because they may be inaccessible to you.
Show inaccessible results
Top suggestions for
Star
Delta Connection Explained
Delta Motor Connection
Delta Connection
…
Star and Delta Explained
OSTree Explained De
…
What Is Delta Connection
Delta Why Connection
Delta Connection
…
Y Delta Connection
Delta Connection
…
Real Delta Connection
Dellta Connection
Delta Connection
…
Report an inappropriate content
Please select one of the options below.
Not Relevant
Offensive
Adult
Child Sexual Abuse
Feedback